As India’s commercial and industrial (C&I) businesses push for higher uptime and lower operating cost, Growatt introduces the WIT Series 3-phase inverters (WIT_50-100K_HU and WIT_50-100K_AU) — a rugged, scalable platform built specifically to keep factories, cold-stores, warehouses and campuses running, even when the grid doesn’t. The WIT family combines enterprise-level backup (UPS + black-start), diesel-generator (DG) integration, storage flexibility and field-ready protection to deliver “always-on” power tailored for Indian conditions.
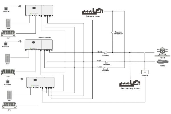
Pick the right model — WIT_50-100K_HU is the full hybrid solution (PV + Storage + Grid + DG); WIT_50-100K_AU is the storage solution (Storage + Grid + DG) and does not include PV/MPPT hybrid inputs.
Built for uninterrupted operations
- Built-in UPS & black start: Seamless, automatic transfer to battery power keeps sensitive equipment and control systems online with minimal disturbance. WIT achieves rapid on/off-grid transitions suitable for critical loads.
- DG automation & remote control: Both HU and AU support remote/automatic DG start-stop so gensets only run when needed — extending runtime and reducing fuel and manual intervention.
Rugged, field-ready protections
- Industrial robustness: 100% three-phase unbalanced output, 110% continuous AC overload capability, and Type II SPD on both DC & AC for surge protection.
- Field-ready mechanics: IP66 enclosure and smart cooling for dusty, humid or outdoor installations.
System flexibility & scalability
- Parallel operation guidance: Up to 3 units in off-grid (backup) mode and multiple units in on-grid parallel (engineering dependent); for stable operation keep combined primary steady load to about 80% of total inverter rating.
- Modular sizing: Available in 50 / 63 / 75 / 100 kW frames; systems can be paralleled and expanded to ~300 kW of inverter capacity to match growing business needs.
- Battery support: Works with both lithium-ion and lead-acid chemistries and supports high charge/discharge power for enterprise battery banks.

India-specific use cases
Manufacturing lines, cold storages, food processing units, logistics hubs, campuses and data rooms — any site needing uninterrupted, clean three-phase power and smart DG + storage coordination.
Why choose WIT for Indian C&I?
WIT is purpose-built to convert vulnerable grid supply into dependable enterprise power: pick HU when you want an integrated solar + storage + grid + DG system, or AU when you are retrofitting storage + DG to an existing site without PV. Both variants deliver industrial durability, fast backup behaviour, automated DG coordination and the scalability your project needs — lowering diesel use, reducing downtime costs and simplifying operations.
Empower your facility with Growatt’s industrial backup solution.












